| Самовывоз: | Московская обл., г.Истра |
| Доставка: | СДЕК. ПЭК. КИТ. Деловые линии |
| Поставка: | 2-4 рабочих дня |
| В наличии: | г. Москва |
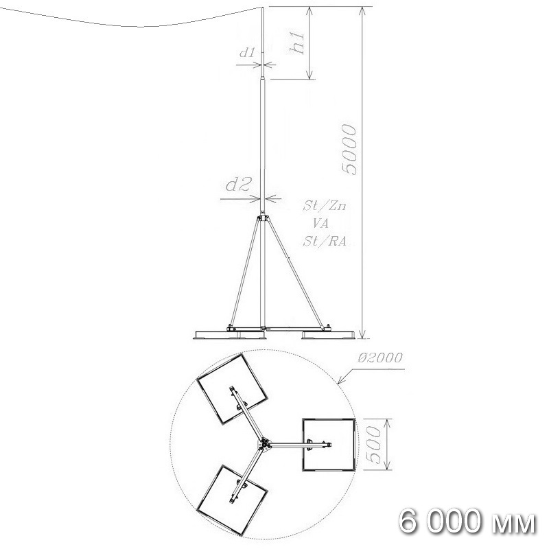
| h1: | 6 м. |
| d1: | Ø60 мм. |
| Вес: | 114,0 - 133,1 кг. |
| Высота: | 6 метров |
Мачта 6 метров для тросового молниеприёмника на треноге GROMOSTAR служит для защиты сооружений, зданий от прямого удара молнии. Предназначен для перехвата разряда молнии и отведение ее тока через подключенные к нему токоотводы.
Предназначено для эксплуатации в районах с ветровым давлением I-VI в соответствие с ПУЭ (7-е издание) в районах Крайнего Севера с температуройдо -60 градусов и высотой установки до 50 метров. Для районов с ветровым давлением V-VII - изготовим по вашему запросу.
Мачта для тросового молниеприёмника на треноги GROMOSTAR представляет собой металлический токопроводящий стержень. Мачта для тросового молниеприёмника устанавливается совместно с треногой и бетонным основанием.
При помощи креплений мачту можно установить на плоскую кровлю или грунт. Проводник крепится к мачте при помощи болтового соединителя или сварки.
Во время грозы при нахождении на расстоянии менее 5-ти метров от мачты или ее касания во время прямого удара молнии. Вид опасного воздействия – электротравма от возможного поражения человека атмосферным электрическим разрядом молнии. Например, в Правилах технической эксплуатации резервуаров и инструкции по их ремонту, п. 4.3.18. (Утверждены Госкомнефтепродуктом СССР 26 декабря 1986г.) указано: "Во время грозы приближаться к мачте ближе чем на 4 метра запрещается, о чем должны быть вывешены предупредительные надписи около резервуара или отдельно стоящего Мачта для тросового молниеприёмникаа". - при ветре, превышающем расчетные нормы, указанных в паспорте конкретную мачту. Вид опасного воздействия – травма от возможного поражения человека падением изделия
Мачта для тросового молниеприёмника имеет в составе: мачта, тренога, бетонное основание, соединитель для присоединения к полосе. Мачта устанавливается на бетонный фундамент с закладной деталью и закрепляется анкерными болтами.
Выпускается:
- из оцинкованной стали - артикул GR170261,
- из нержавеющей стали - артикул GR170263,
- из окрашенной оцинкованной стали - артикул GR170264. Цвет - коричневый, красный, терракотовый, синий, зелёный, чёрный, серый.
- из алюминия - артикул GR170265,
Мачта Громостар позволяет защитить объекты находящиеся в близи его установки.
Подробности касающиеся способа установки мачты найдете на сайте. Мачта выпускается из оцинкованной сталь St/Zn, нержавеющей стали VA и алюминия Al.
Возможна порошковая окраска молниеприемника из оцинкованной стали, нержавеющей стали и алюминия в стандартные цвета: коричневый, красный, терракотовый, синий, зелёный, чёрный, серый.
Гарантийный срок на мачту для тросового молниеприёмника с закладной на грунт GROMOSTAR составляет 24 месяцев со дня продажи. Гарантия распространяется на все заводские и конструктивные дефекты. Данная гарантия не распространяется: на повреждения, возникшие в результате монтажа неквалифицированным персоналом, или с нарушением требований настоящего паспорта; при наличии повреждений в результате ударов, а также других механических или температурных повреждений.
Соответствует нормативным документам, регламентирующим требования к молниезащите зданий: «Инструкция по молниезащите зданий и сооружений» РД 34.21.122-87 от 30 июля 1987 года и «Инструкция по устройству молниезащиты зданий, сооружений и промышленных коммуникаций» CO 153-343.21.122-2003 от 30 июня 2003 г.
Предназначено для эксплуатации в районах с ветровым давлением I-III в соответствие с ПУЭ (7-е издание) в районах Крайнего Севера с температурой до -60 градусов и высотой установки до 50 метров. Для районов с ветровым давлением IV-VII - изготовим по вашему запросу.

15 995р.
6 995р.
11 933р.
22 755р.
55р.
248р.
93р.
186р.
182р.
186р.
106р.
173р.
95 483р.
295р.
210р.
140р.
81р.
756р.
1р.
755р. 378р.
1 930р.
83р.
151р.
6 846р.
32 715р.
52 255р.
21 765р.
209р.
210р.
210р.